7セグメントLEDは、デジタル表示の世界で欠かせない存在です。あなたはこの便利な技術がどのように日常生活に役立っているか考えたことがありますか?7セグメントLED 使用例を知ることで、その魅力や可能性をさらに深く理解できるでしょう。
7セグメントLEDの基本
7セグメントLEDは、数字や文字を表示するための一般的なデバイスです。これにより、視認性が高く、使いやすい情報表示が可能になります。
7セグメントLEDとは
7セグメントLEDは、8つの光る部分から構成されており、各部分を個別に点灯させることで数字(0から9)や一部のアルファベットを表現できます。主に電子機器や計器で使用されます。たとえば、自動販売機や電卓などでよく見られます。
7セグメントLEDの構造
このデバイスは、アノードとカソードという2種類の接続方法があります。アノード接続では全体が点灯し、カソード接続では特定の部分のみ点灯します。また、それぞれには抵抗器が必要であり、この抵抗器によって電流が制御されます。具体的な構造としては以下があります:
- ディスプレイユニット:数字を形成するためのライトエレメント
- 基板:ハンダ付けされた部品を支える役割
- ドライバーIC:信号処理と制御を行う集積回路
7セグメントLEDの使用例
7セグメントLEDは、さまざまなデバイスや用途で広く利用されています。以下に代表的な使用例を挙げます。
デジタル時計
デジタル時計では、時間を数字で表示するために7セグメントLEDが使われます。この技術は、高い視認性と明確な表示を提供します。例えば、一般的なデジタル時計には、時・分・秒をそれぞれ異なるディスプレイとして表示することができます。また、多くのモデルではバックライト機能も搭載されており、暗い場所でも容易に見ることができます。
温度計
温度計においても7セグメントLEDは重要です。特に電子式温度計では、測定した温度を即座に表示します。この方式は迅速かつ正確であり、ユーザーが結果をすぐに確認できる利点があります。たとえば、自宅用のデジタル温度計や医療用体温計など、多様な場面で活躍しています。
カウンター
カウンターでも7セグメントLEDはよく使用されます。数量や回数をカウントし、それをリアルタイムで表示する場合に最適です。製造ラインやイベント管理など、多くの業界で採用されています。具体的には次のような用途があります:
- 商品数のカウント
- イベント参加者数
- 機械稼働時間の記録
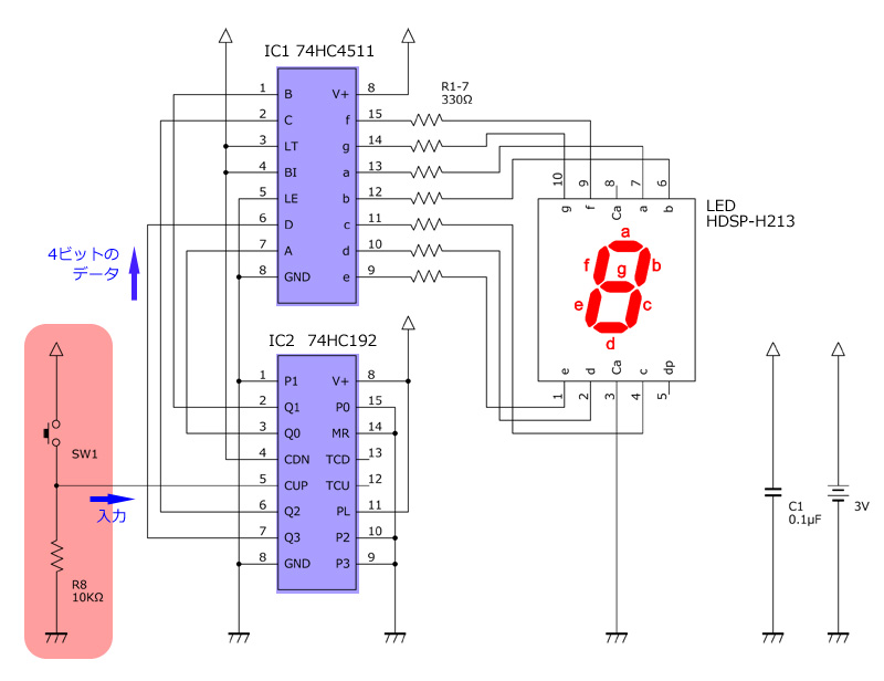
7セグメントLEDの接続方法
7セグメントLEDを正しく接続することが重要です。以下に必要な部品と配線図を示します。
必要な部品
7セグメントLEDを接続するためには、以下の部品が必要です。
- 7セグメントLEDディスプレイ: 数字や一部文字を表示。
- 抵抗器: 電流制限用。通常は220Ωまたは330Ω。
- マイクロコントローラー: Arduinoなどで制御可能。
- ブレッドボード: 配線を簡単に行うための基板。
- ジャンパーケーブル: 接続用のケーブル。
これらの部品があれば、基本的な接続作業が進められます。
配線図
以下に一般的な配線図を示します。この配線図では、アノード方式で接続しています。
+------+
| A |
| |
+--- Resistor (220Ω) --- Vcc
| F |
| |
| G |
| |
+--- Microcontroller Pin (e.g., D2)
| E |
| |
| D |
+--C--+
このように接続すれば、マイクロコントローラーから信号を送出し、数字や文字を表示できます。各ピン(A, B, C, D, E, F, G)はそれぞれ異なる数字や記号に対応しています。具体的には:
- ピンA: 1
- ピンB: 2
- ピンC: 3
- ピンD: 4
- ピンE: 5
- ピンF: 6
- ピンG: 7
7セグメントLEDのプログラミング
7セグメントLEDをプログラミングすることで、さまざまな表示が可能になります。基本的な接続とコードを書き込む手順を理解すれば、カスタマイズしたデジタル表示が実現できます。
基本的なコード例
次に示すのは、Arduinoを使った7セグメントLEDの基本的なコード例です。このコードでは、数字0から9を順番に表示します。
#include <SevSeg.h>
SevSeg sevseg; // セブンセグメントライブラリのインスタンス作成
void setup() {
byte numDigits = 1; // 表示桁数
byte digitPins[] = {2}; // デジットピン
byte segmentPins[] = {3, 4, 5, 6, 7, 8, 9}; // セグメントピン
sevseg.begin(COMMON_ANODE, numDigits, digitPins, segmentPins);
}
void loop() {
for (int i = 0; i <= 9; i++) {
sevseg.setNumber(i); // 数字設定
sevseg.refreshDisplay(); // 表示更新
delay(1000); // 一秒待機
}
}
このコードでは、setNumber()関数を使用して数字を設定し、refreshDisplay()関数で画面を更新しています。シンプルですが効果的です。
よくあるエラー
プログラムを書く際にはいくつかの一般的なエラーがありますので注意しましょう。以下はよく見られる問題点です:
7セグメントLEDの利点と欠点
利点
- 視認性: 7セグメントLEDは、数字や文字を鮮明に表示するため、遠くからでも読みやすいです。
- エネルギー効率: 消費電力が低いため、バッテリー駆動のデバイスにも適しています。
- コストパフォーマンス: 一般的に安価で入手できるため、多くのプロジェクトで採用されています。
- 簡単な接続: アノード接続やカソード接続など、基本的な配線方法がシンプルです。
- 多様な用途: デジタル時計や温度計など、さまざまな電子機器で幅広く使用されています。
- 限られた表示内容: 数字と一部アルファベットのみ表示可能であり、情報量には制約があります。
- 視角依存性: 視覚角度によっては見えづらいことがあるため、配置に工夫が必要です。
- 耐久性の問題: 長時間使用すると劣化しやすく、一部モデルでは寿命が短いこともあります。
- 複雑なプログラミング: 複雑な表示を行う場合には、高度なプログラミングスキルが求められます。
- 外部環境影響: 高温・高湿度環境では性能低下につながるおそれがあります。
